无障碍浏览
|
搜 索
热词:
居住证
养老保险
公积金
网站首页
信息公开
政务服务
互动交流
走进云城
当前位置:
首页
>
云浮市云城区人民政府门户网站
>
基础信息公开
>
工作报告
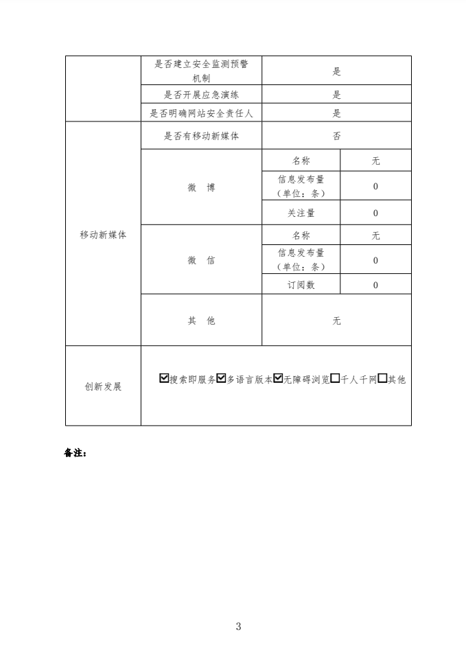
2025年云浮市云城区政府网站工作年度报表
发布时间:
2026-01-15 17:48
来源:区府办
浏览人数:
-
人
【字号:
大
中
小
】
背景颜色:
分享到:
2025年云浮市云城区政府网站工作年度报表.pdf
TOP
打印本页
关闭窗口
<
导航链接:
地市网站
广州市
深圳市
汕头市
珠海市
中山市
东莞市
惠州市
汕尾市
梅州市
揭阳市
清远市
茂名市
潮州市
阳江市
佛山市
江门市
肇庆市
湛江市
河源市
韶关市
云浮市
党委部门网站
区委办
云城区政协
云城区委统战部
云城区委编办
云城区委宣传部
云城区纪委监委
政府部门专栏
云城区发展和改革局
云城区教育局
云城区民政局
云城区司法局
云城区财政局
云城区人力资源和社会保障局
市公安局云城分局
云城区卫生健康局
云城区审计局
云城区统计局
云城区农业农村和水务局
云城区住房和城乡建设局
云城区工业和信息化局
云城区应急管理局
云城区城市管理和综合执法局
云城区市场监督管理局
云城区交通运输局
云浮市医疗保障局云城分局
云城区政务服务和数据管理局
云城区退役军人事务局
云城区自然资源局
其他部门专栏
云城区人民检察院
团区委
云城区妇联
云城区残联
云城区侨联
云城区工商联
云城区总工会
镇街专栏
云城街道办事处
高峰街道办事处
河口街道办事处
安塘街道办事处
腰古镇政府
思劳镇政府
南盛镇政府
前锋镇政府
县市区网站
罗定市
新兴县
郁南县
云安区
云浮新区
新媒体
×关闭